![]() |
| NISSAN MAXIMA 1992 V6 - VE30DE 24 Valvulas - Mecanica Automotriz pag. 8/8 |
NISSAN Maxima - Cadena de tiempo - Timing chain - Motor VE30DE - |
|
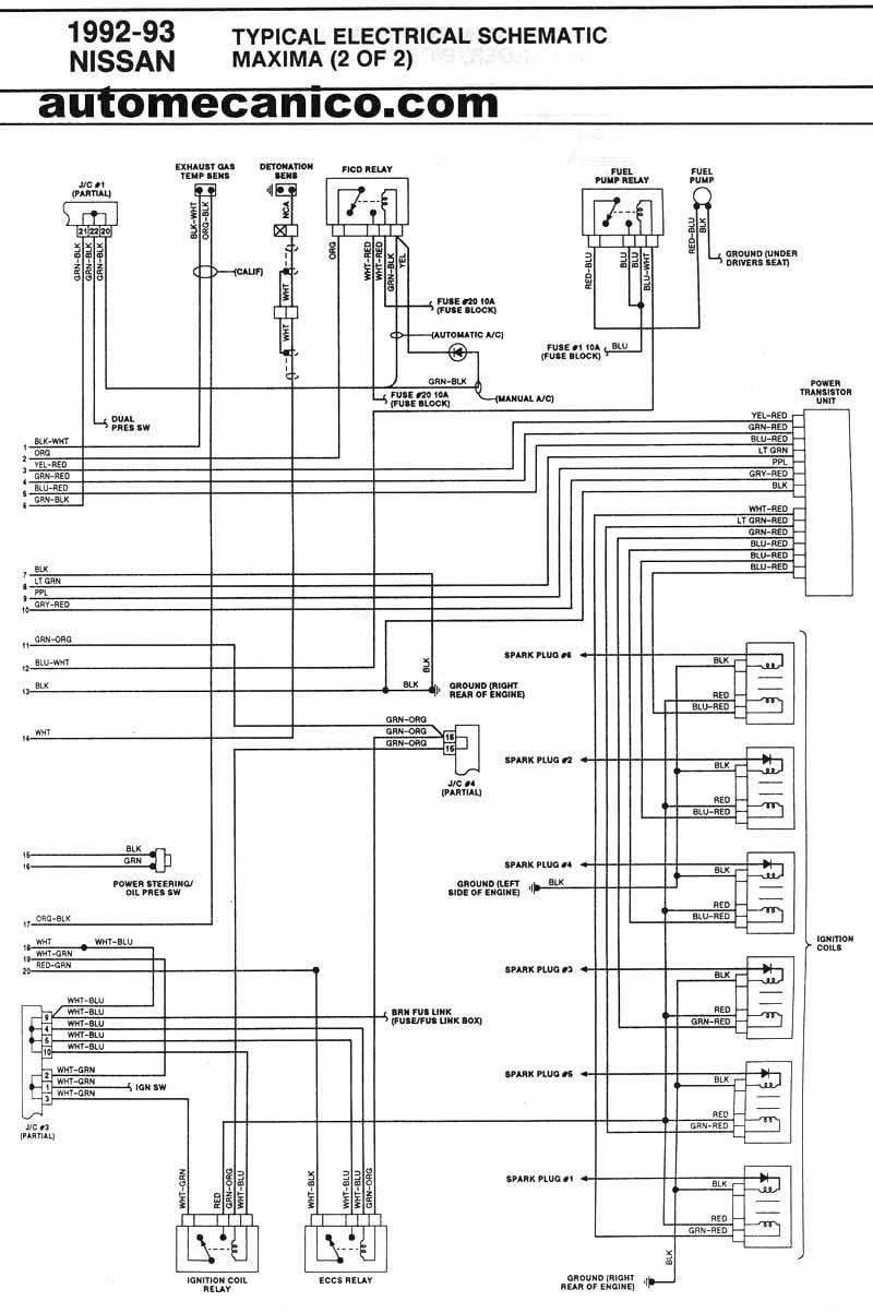
Viene de la pagina anterior
.. Esquemas Electricos Tipicos - Componentes Sistema de Emisiones .....
![]() Regresar al inicio del tema... |
| 2025 Actualizacion constante. automecanico.com |



