
| DIAGRAMAS - ESQUEMAS GRAPHICS - MECANICA AUTOMOTRIZ - G. MOTORS 1982/93 |
Diagramas, -G. Motors - 1.6L - 1.8L - 1.9L - Diagramas 1982/93- |
| Que es un Diagrama?, para que sirve un Diagrama electrico
automotriz?.
En Mecanica: Podemos describir un Diagrama, como: Grafica que representa la relacion entre los diferentes componentes de un conjunto, o sistema electrico, permitiendonos ubicar estos componentes dentro de un circuito. De esta manera se facilita el estudio, y el analisis de un problema; y su posible solucion En automecanico.com"; somos conscientes de la importancia, de este tipo de herramienta; por ello; esperamos que los diagramas listados a continuacion le sean de utilidad. |
| -G. MOTORS 1982/87 - 1.6L - 1982/86 1.8L - 1.9L 1982/93 - |
| 1.6L | |
| 1982/85 - 1.6L | CEC UBIC. DE COMPONENTES |
| 1986 - 1.6L | CEC UBIC. DE COMPONENTES |
| 1987 - 1.6L | CEC UBIC. DE COMPONENTES |
| 1982/87 - 1.6L | ESQUEMA ELECTRICO |
| 1.8L | |
| 1982/84 - 1.8L TBI | CEC UBIC. DE COMPONENTES |
| 1984 - 1.8L TURBO PFI | CEC UBIC. DE COMPONENTES |
| 1985 - 1.8L 2.5L TBI | CEC UBIC. DE COMPONENTES |
| 1985 - 1.8L TBI PFI | CEC UBIC. DE COMPONENTES |
| 1986 - 1.8L TBI | CEC UBIC. DE COMPONENTES |
| 1986 - 1.8L PFI | CEC UBIC. DE COMPONENTES |
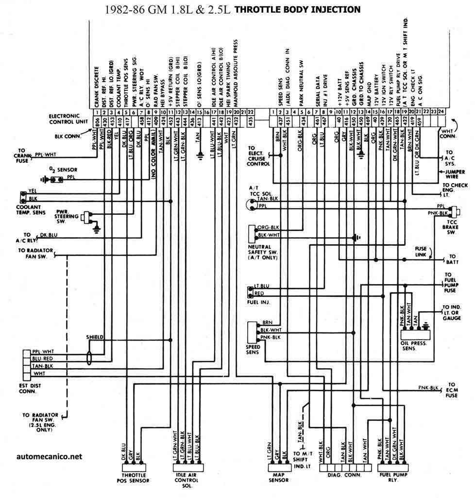
| 1982/86 - 1.8L 2.5L TBI | ESQUEMA ELECTRICO |
| 1984/86 - 1.8L, PFI | ESQUEMA ELECTRICO |
| 1.9L - 1982/93 | |
| 1982/85 - 1.9L 1/2 | CEC UBIC. DE COMPONENTES |
| 1982/85 - 1.9L 2/2 | CEC UBIC. DE COMPONENTES |
| 1982/85 - 1.9L | ESQUEMA ELECTRICO |
| 1.9L - 1982/93 - SATURN | |
| 1992/93 - 1.9L PFI TBI [SATURN] | CEC UBIC. DE COMPON. |
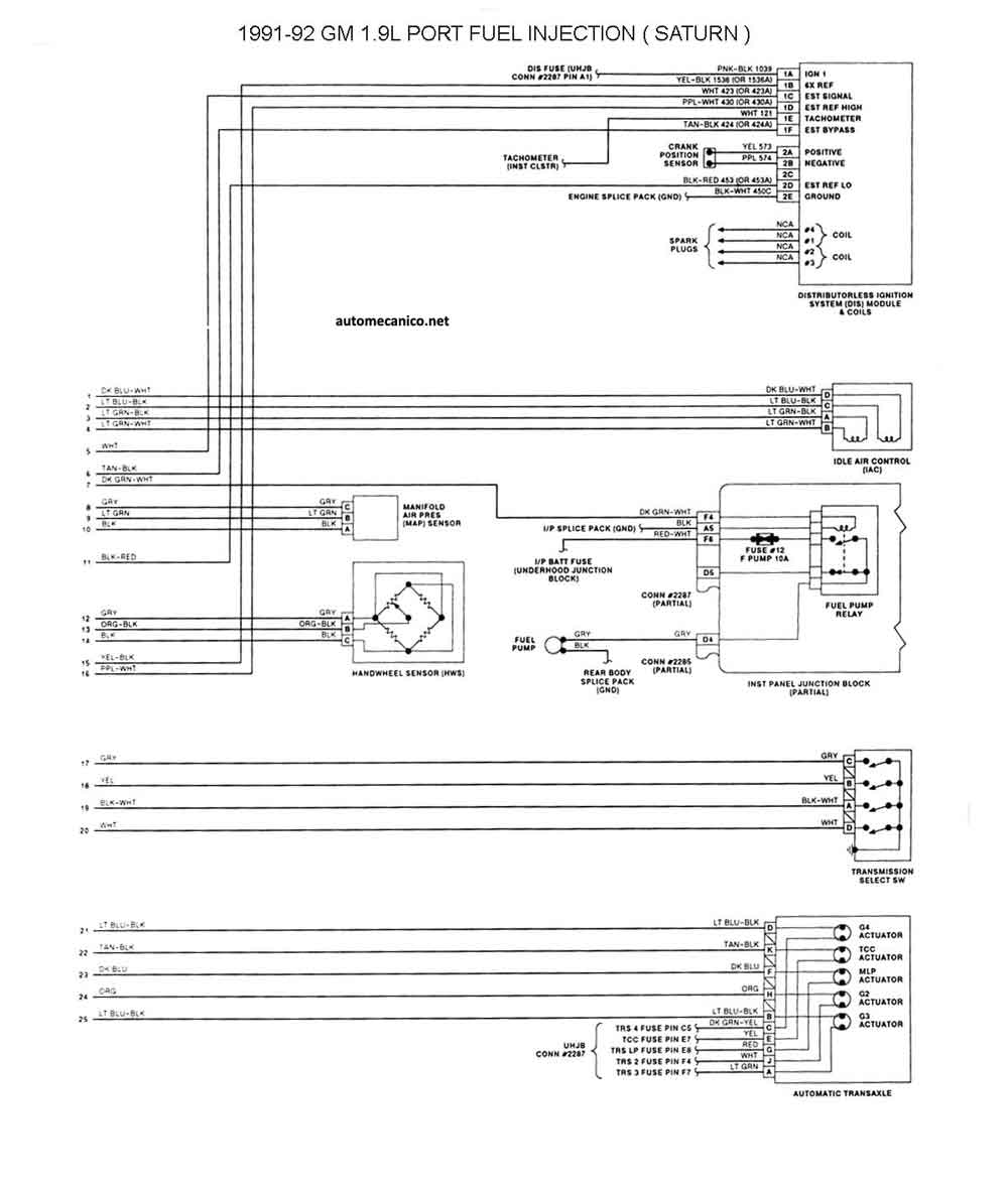
| 1991/92 - 1.9L PFI [SATURN] 1/2 | ESQUEMA ELECTRICO |
| 1991/92 - 1.9L PFI [SATURN] 2/2 | ESQUEMA ELECTRICO |
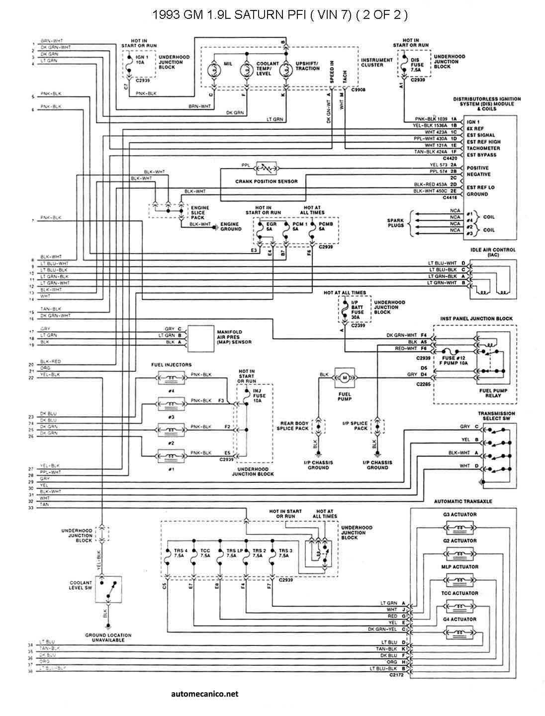
| 1993 - 1.9L PFI [VIN 7 SATURN] 1/2 | ESQUEMA ELECTRICO |
| 1993 - 1.9L PFI [VIN 7 SATURN] 2/2 | ESQUEMA ELECTRICO |
| 1993 - 1.9L TBI [SATURN] 1/2 | ESQUEMA ELECTRICO |
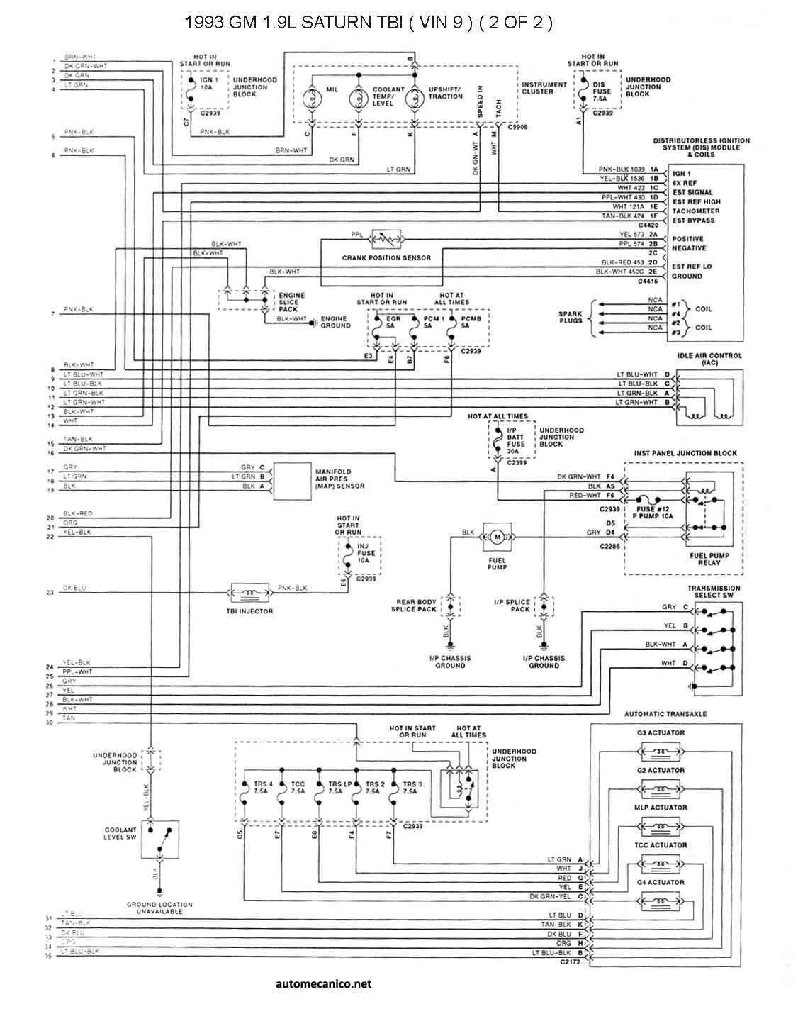
| 1993 - 1.9L TBI [SATURN] 2/2 | ESQUEMA ELECTRICO |